EMI is a field phenomenon, but an electromagnetic field is very difficult to imagine without 'seeing' it. We use simple terms such as voltage and current to help us understand EMI because they are more tangible. If we start talking about electric fields or magnetic fields, it often frightens people away.
Engineers are familiar with voltage and current, so it is natural that when we discuss EMC, we use terms such as radio-frequency (RF) voltage/current. This is particularly true for conducted emissions. The conducted noise can be simplified as a sum of differential-mode and common-mode noise. These noises can be measured either by a line impedance stabilisation network (LISN) (voltage measurement) or by a good bandwidth current probe (current measurement).
EMI is a field phenomenon, but an electromagnetic field is very difficult to imagine without 'seeing' it. We use simple terms such as voltage and current to help us understand EMI because they are more tangible. If we start talking about electric fields or magnetic fields, it often frightens people away.
Engineers are familiar with voltage and current, so it is natural that when we discuss EMC, we use terms such as radio-frequency (RF) voltage/current. This is particularly true for conducted emissions. The conducted noise can be simplified as a sum of differential-mode and common-mode noise. These noises can be measured either by a line impedance stabilisation network (LISN) (voltage measurement) or by a good bandwidth current probe (current measurement).
A simple buck converter is set up to demonstrate the difference between differentialmode and common-mode
noise. In the schematics shown in Figure4, the buck converter is connected to a DC power supply unit (PSU) through a LISN. The blue line shows the differential-mode current. The differential-mode current is dominant in the low frequency range (from a few kHz to about 3 MHz) and is often easy to understand. It is often associated with the switching frequency of a switched mode power supply (SMPS) or a motor drive circuit.

Common-mode noise is shown as the red lines in Figure 4. Common-mode noise is often of high frequency contents (from a few MHz to GHz). Due to its high frequency characteristics, a small value of parasitic capacitance between the converter and the ground plane can provide a low impedance path for the RF current to form a loop [2]. As the RF current travels on the surface of the cable which is connected between the converter and the power supply unit, the cable becomes a radiating antenna, which is a big source of radiated emissions. This is demonstrated in Figure 5.

The same principle applies to much larger systems such as an industrial motor drive that is shown in Figure 6. The motor cables and the inverter exhibit parasitic capacitance to the ground structure (or any metal structure nearby that could serve as a return path for RF energy). Common-mode currents thus flow freely through the parasitic capacitance. As a result, a large loop is formed, which leads to both conducted and radiated emissions.
Once the concept of differential-mode and common-mode noise is understood, filters to address both types of noise can be designed. Generally speaking, an inductor is used for differential-mode noise suppression while a common-mode choke is used for common-mode noise suppression.
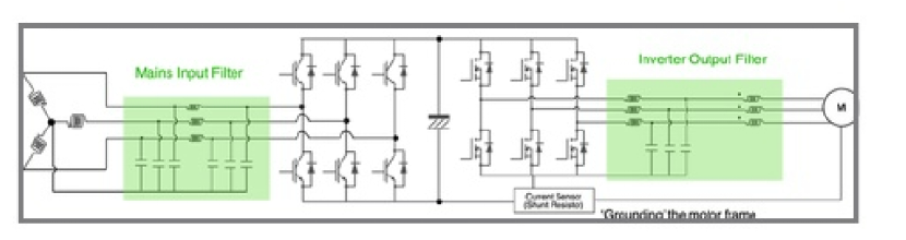
In applications such as a grid-tied inverter of a motor drive (see Figure 7), both differential and common-mode filters can be found. The input mains filter stage is a π filter while the inverter output filter is a two-stage filter that consists of a low pass L-C filter and a three-way common mode choke. Capacitors are often designed with inductors to form either an L-C or a π filter. Filter topologies will be discussed in the following chapters.
